Engineering Drawings & Technical Documentation

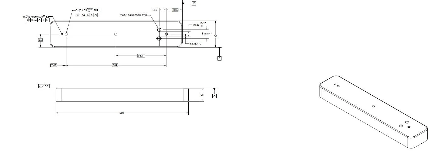
Lal’s Consulting Enterprises provides high-quality engineering drawings and technical documentation for complex mechanical systems, mechanisms, and site layouts, supporting projects from early concept development through fabrication, installation, and regulatory review. LCE has produced detailed mechanical drawings for client-specific mechanisms requiring tight tolerances, clear manufacturing intent, and design-for-assembly considerations, as well as site and layout drawings prepared for municipal use, including projects submitted to the City of Monterey, CA. LCE’s work emphasizes clarity, accuracy, and real-world usability—ensuring that drawings are not only technically correct, but practical for contractors, fabricators, inspectors, and stakeholders to execute against.

As a small, highly responsive engineering consultancy, Lal’s Consulting Enterprises is uniquely positioned to support clients who need professional-grade deliverables without the overhead, rigidity, or long lead times of large firms. LCE continues to partner with other small businesses and intends to support prime contractors, and municipalities to help fulfill overflow work, meet contract deliverables, or provide specialized drafting and engineering support on an as-needed basis. This collaborative approach allows clients to scale engineering resources efficiently while maintaining quality and schedule confidence. Whether supporting a single drawing package or acting as an extension of an existing engineering team, LCE will deliver dependable, well-organized documentation that integrates seamlessly into larger project workflows.

Relevant NAICS Codes

  • 541330 – Engineering Services

  • 541340 – Drafting Services

  • 541370 – Surveying and Mapping Services (applicable to site and layout drawings)

Relevant UNSPSC Codes

  • 811015 – Engineering Services

  • 811016 – Drafting and Design Services

  • 811017 – Civil Engineering Services

Previous
Previous

Tooling Fixture Designing

Next
Next

Work Instructions