Custom Press-Fit Tooling Fixture for Precision Pin Installation

LCE designed, procured, manufactured, integrated, and tested a tooling fixture that helped our client improve overall process flow and efficiency. LCE designed and delivered a custom press-fit tooling fixture to enable straight, repeatable pin installation in a complex scissor-link assembly. The fixture eliminated operator fatigue, improved safety, and ensured alignment in a critical load path—transforming a manual, error-prone process into a controlled, repeatable operation.

NAICS Codes

  • 333514 – Special Die and Tool, Die Set, Jig, and Fixture Manufacturing

  • 541330 – Engineering Services

  • 332710 – Machine Shops

  • 332999 – All Other Miscellaneous Fabricated Metal Product Manufacturing

  • 541380 – Testing Laboratories

UNSPSC Codes

  • 81101500 – Engineering Services

  • 81101508 – Mechanical Engineering

  • 23153000 – Jigs and Fixtures

  • 23153400 – Tooling Fixtures

  • 81101600 – Product Testing and Evaluation Services

The Challenge

Pins in a scissor-link assembly needed to be pressed in perfectly straight to maintain structural integrity of a critical load path.

Prior to this fixture:

  • Pins were installed by hand

  • Alignment was inconsistent and operator-dependent

  • The process was physically demanding and fatiguing

  • Misalignment risk threatened part quality and downstream reliability

This created both ergonomic risk for the technician and quality risk for the mechanism.

Design Requirements

The tooling solution needed to:

  • Maintain coaxial alignment during press-fit

  • Prevent pin tilt or angular misalignment

  • Reduce operator force and fatigue

  • Be intuitive, safe, and repeatable for production use

  • Integrate cleanly with existing shop equipment

Custom Precision Press-Fit Fixture

LCE designed a purpose-built aluminum fixture that constrains the pin and mating components, guiding the press operation along a fixed, straight axis.

Key design features:

  • Precision-machined guide surfaces to control pin alignment

  • Rigid geometry to resist deflection during pressing

  • Simple, ergonomic setup for the operator

  • Robust construction suitable for repeated production use

The result is a controlled press operation that removes human variability from a critical assembly step.

Next
Next

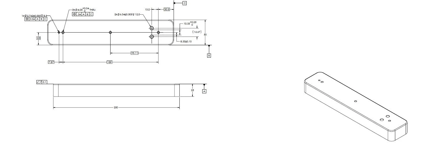
Engineering Drawings